System Operation Description:
Use this procedure to troubleshoot the system only when there is an active diagnostic code or when a diagnostic code can easily be activated. This procedure covers open circuit diagnostic codes and short circuit diagnostic codes that are associated with the following sensors:
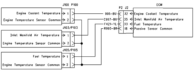
- Coolant temperature sensor
- Inlet air temperature sensor
- Fuel temperature sensor
The troubleshooting procedures for the diagnostic codes of each temperature sensor are identical. The temperature sensors are passive sensors that have two terminals. The temperature sensors do not require supply voltage from the Electronic Control Module (ECM).
|
|
|
|
|
|
| Illustration 1 | g00750828 |
|
Schematic |
|
|
|
|
|
|
|
| Illustration 2 | g00955360 |
|
P2 ECM connector |
|
Test Step 1. Verify all Active Diagnostic Codes
- Connect the Caterpillar Electronic Technician (ET) to the service tool connector.
- Turn the keyswitch to the ON position. Wait at least 15 seconds for activation of the diagnostic codes.
- Monitor the “Active Diagnostic Codes” screen on Cat ET.
Expected Result:
There is an active diagnostic code for one or more of the temperature sensors.
Results:
- Yes – There is an active diagnostic code for one or more of the temperature sensors. Proceed to Test Step 2.
- No – There are no active diagnostic codes for the temperature sensors.
Repair: If there are logged diagnostic codes for one or more of the temperature sensors and the engine is not running properly, refer to Troubleshooting, “Troubleshooting without a Diagnostic Code”. If the engine is running properly at this time, an intermittent condition may be causing the logged codes. Refer to Troubleshooting, “Electrical Connectors – Inspect”.
STOP
Test Step 2. Inspect Electrical Connectors and Wiring
- Thoroughly inspect the J2/P2 ECM connector, the suspect sensor connector, and any other connectors in the circuit. Refer to Troubleshooting, “Electrical Connectors – Inspect” for details.
- Perform a 45 N (10 lb) pull test on each of the wires in the sensor connector and in the ECM connector that are associated with the active diagnostic code.
- Verify that the latch tab of the connector is properly latched.
- Check the ECM connector (allen head screw) for the proper torque. Refer to Troubleshooting, “Electrical Connectors – Inspect” for details.
- Check the harness and wiring for abrasions and for pinch points from the sensor to the ECM.
Expected Result:
All connectors, pins, and sockets are completely coupled and/or inserted. The harness and the wiring are free of corrosion, of abrasion, and of pinch points.
Results:
- OK – The connectors and the wiring appear to be OK. Proceed to Test Step 3.
- Not OK – There is a problem with the connectors and/or the wiring.
Repair: Repair the connectors or wiring and/or replace the connectors or wiring. Ensure that all of the seals are properly in place and ensure that the connectors are completely coupled.Verify that the repair eliminates the problem.
STOP
Test Step 3. Verify that the Diagnostic Code is Still Active
- Turn the keyswitch to the ON position. Wait at least 15 seconds for activation of the diagnostic codes.
- Access the “Active Diagnostic Codes” screen on Cat ET and check for active diagnostic codes.
- Determine if the problem is related to an open circuit diagnostic code or to a short circuit diagnostic code.
Expected Result:
A short circuit diagnostic code or an open circuit diagnostic code is active.
Results:
- Short Circuit – A short circuit diagnostic code is active at this time. Proceed to Test Step 4.
- Open Circuit – An open circuit diagnostic code is active at this time. Proceed to Test Step 6.
- No Active Diagnostic Codes – There is a problem in the connectors and/or the wiring.
Repair: Carefully reinspect the connectors and wiring. The diagnostic code will probably reoccur. Refer to Troubleshooting, “Electrical Connectors – Inspect” for additional information.
STOP
Test Step 4. Disconnect the Sensor in Order to Create an Open Circuit
- Turn the keyswitch to the OFF/RESET position.
- Disconnect the connector to the sensor with the short circuit diagnostic code.
- Turn the keyswitch to the ON position. Wait at least 15 seconds for activation of the diagnostic codes.
- Access the “Active Diagnostic Codes” screen on Cat ET and check for an active open circuit diagnostic code for the suspect sensor.
Expected Result:
An open circuit diagnostic code is now active for the disconnected sensor.
Results:
- OK – A short circuit diagnostic code was active before disconnecting the sensor. An open circuit diagnostic code became active after disconnecting the sensor. Proceed to Test Step 5.
- Not OK – There is a short circuit between the sensor harness connector and the ECM. Leave the sensor disconnected. Proceed to Test Step 7.
Test Step 5. Determine if the Short Circuit is in the Connector or in the Sensor
- Thoroughly inspect the connector for moisture.
- Inspect the seals and reconnect the sensor.
- If the short circuit diagnostic code reappears, the sensor is the problem.
- Temporarily connect a new sensor to the harness, but do not install the new sensor in the engine.
- Check for a short circuit diagnostic code while the new sensor is connected.
Expected Result:
The short circuit diagnostic code is not present when a new sensor is connected.
Results:
- OK – The suspect sensor had an internal short.
Repair: Permanently install the new sensor and clear any logged diagnostic codes.Verify that the repair eliminates the problem.
STOP
- Not OK – The connector for the suspect sensor on the wiring harness is shorted.
Repair: Repair the connector.
STOP
Test Step 6. Short the Sensor Connector
- Turn the keyswitch to the ON position.
- Unplug the suspect sensor.
- Install a jumper wire between the terminals on the plug for the suspect sensor. Wait at least 15 seconds for activation of the short circuit diagnostic code.
Note: Monitor the “Active Diagnostic Codes” screen on Cat ET before installing the jumper wire and after installing the jumper wire.
- Remove the jumper wire.
Expected Result:
A short circuit diagnostic code is active when the jumper wire is installed. An open circuit diagnostic code is active when the jumper wire is removed.
Results:
- OK – The engine harness and the ECM are OK.
Repair: Perform the following repair:
- Temporarily reconnect the suspect sensor.
- If the diagnostic code remains active, replace the sensor.
- Verify that the repair eliminates the problem.
- Clear all logged diagnostic codes.
STOP
- Not OK – The open circuit diagnostic code remains active with the jumper in place. There appears to be an open circuit between the ECM and the sensor. Proceed to Test Step 7.
Test Step 7. Check the Operation of the ECM
- Turn the keyswitch to the OFF/RESET position.
- Disconnect the appropriate ECM connector for the suspect sensor. Thoroughly inspect both halves of the connector for signs of corrosion and/or for moisture.
- Reconnect the ECM connector.
- Turn the keyswitch to the ON position. Monitor the “Active Diagnostic Code” screen on Cat ET. Wait at least 15 seconds for activation of the code.
An open circuit diagnostic code should be active for the suspect sensor. Note the sensor that has the open circuit diagnostic code.
- Remove the signal wire and the return wire for the suspect sensor from the appropriate ECM connector.
Note: Active open circuit diagnostic codes will be generated for any other temperature sensors that share the return for the suspect sensor.
- Install a jumper wire between the terminal for the suspect sensor signal and the return for the suspect sensor.
- Monitor the “Active Diagnostic Code” screen on Cat ET. Wait at least 15 seconds for activation of the code.
Note: A short circuit diagnostic code should be active when the jumper wire is installed.
Expected Result:
An open circuit diagnostic code is active when the wires are removed from the ECM connector. A short circuit diagnostic code is active when the jumper wire is installed.
Results:
- OK – The ECM is working properly. Proceed to Test Step 8.
- Not OK – One of the following conditions exists: The open circuit diagnostic code is not active when the harness is disconnected. The short circuit diagnostic code is not active when the jumper wire is installed.
Repair: Perform the following repair:
- Temporarily connect a test ECM.
- Remove all jumper wires and reconnect all connectors and wires.
- Recheck the system for active diagnostic codes.
- Repeat this test step.
- If the problem is resolved with the test ECM, reconnect the suspect ECM.
- If the problem returns with the suspect ECM, replace the ECM.
- Verify that the repair eliminates the problem.
STOP
Test Step 8. Bypass the Wiring Harness between the ECM and the Sensor Connector
- Turn the keyswitch to the OFF/RESET position.
- Remove the sensor signal wire from the ECM connector.
- Disconnect the sensor connector.
- Remove the signal wire (terminal 1) from the sensor connector on the engine harness.
- Fabricate a jumper wire that is long enough to reach from the ECM to the sensor connector.
- Insert one end of the jumper wire into the signal terminal of the ECM connector. Insert the other end of the jumper wire into terminal 1 of the sensor connector on the engine harness.
- Reconnect the sensor connector.
- Turn the keyswitch to the ON position.
- Monitor the “Active Diagnostic Codes” screen on Cat ET for either the open circuit diagnostic code for the sensor or for the short circuit diagnostic code for the sensor.
Expected Result:
No diagnostic codes are present for the suspect sensor when the jumper wire is installed.
Results:
- OK – There is a problem in the wiring harness between the ECM and the sensor connector.
Repair: Repair the circuit and clear all diagnostic codes.Verify that the repair eliminates the problem.
STOP
- Not OK – There is not a problem in the wiring harness. The problem may be intermittent. Restart this procedure and carefully perform each step.STOP

