System Operation Description:
Use this procedure to troubleshoot any suspect problems with the electrical supply for the Electronic Control Module (ECM).
Also, use this procedure to troubleshoot the 168-02 System Voltage intermittent/erratic.
This procedure tests whether proper voltage is being supplied to the ECM.
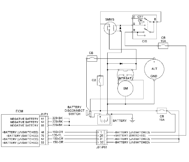
Unswitched battery voltage is supplied through the customer connector to the ECM at P1-48, P1-52, and P1-53. The negative battery is supplied to the ECM at P1-61, P1-63, and P1-65. The ECM receives the input from the keyswitch at P1-70 when the keyswitch is in the ON position or in the START position. When the ECM detects battery voltage at this input, the ECM will power up. When battery voltage is removed from this input, the ECM will power down.
The cause of an intermittent power supply to the ECM can occur on either the positive side or on the negative side of the battery circuit. Both sides are routed from the ECM to the battery. The three connections for the unswitched +Battery should be routed through a dedicated protective device (circuit breaker).
The engine ECM requires the keyswitch to be in the ON position in order to maintain communications with the electronic service tool.
For intermittent problems such as intermittent shutdowns that could be caused by engine wiring, temporarily bypassing the engine wiring may be an effective means of determining the root cause. If the symptoms disappear with the bypass wiring, the engine wiring is the cause of the problem. A means of bypassing engine wiring is explained in this test procedure.
|
|
|
|
|
|
| Illustration 1 | g01128961 |
|
Schematic for ECM battery circuit |
|
Test Step 1. Inspect Electrical Connectors and Wiring
- Turn the keyswitch to the OFF position.
- Thoroughly inspect connectors (1) and (2). Also inspect the connections for the battery to the ECM. Inspect the connections from the keyswitch to the ECM. Refer to the diagnostic functional test Troubleshooting, “Electrical Connectors – Inspect” for details.
|
|
|
|
|
|
| Illustration 2 | g01146374 |
|
Left side engine view (typical example) (1) J1/P1 ECM connector |
|
|
|
|
|
|
|
| Illustration 3 | g01146383 |
|
Left side engine view (typical example) (2) P61 Customer connector |
|
- Perform a 45 N (10 lb) pull test on each of the wires that are associated with the electrical power supply.
|
|
|
|
|
|
| Illustration 4 | g01183150 |
|
P1 terminals that are associated with the electrical power supply (P1-48) Unswitched +Battery (P1-52) Unswitched +Battery (P1-53) Unswitched +Battery (P1-61) −Battery (P1-63) −Battery (P1-65) −Battery (P1-70) Switched +Battery (keyswitch) |
|
|
|
|
|
|
|
| Illustration 5 | g01183151 |
|
J61 and P61 terminals that are associated with the electrical power supply (1) +Battery (26) Switched +Battery (keyswitch) (31) +Battery (32) +Battery |
|
- Check the allen head screw on the ECM connector for the proper torque. Refer to the diagnostic functional test Troubleshooting, “Electrical Connectors – Inspect” for the correct torque values.
- Check the harness and wiring for abrasions and for pinch points from the battery to the ECM. Also, check the harness and wiring for abrasions and for pinch points from the keyswitch to the ECM.
Expected Result:
All connectors, pins, and sockets are completely coupled and/or inserted. The harness and wiring are free of corrosion, of abrasion, and of pinch points.
Results:
- OK – The connectors and wiring are OK. Proceed to Test Step 2.
- Not OK – There is a problem with the connectors or wiring.
Repair: Repair the connectors or wiring and/or replace the connectors or wiring. Ensure that all of the seals are properly in place and ensure that the connectors are completely coupled.
STOP
Test Step 2. Check the Battery Voltage at the ECM
- Disconnect the J1/P1 ECM connector.
- Turn the keyswitch to the ON position.
- Measure the voltage between P1-48 Unswitched +Battery and P1-61 -Battery.
- Measure the voltage between P1-52 Unswitched +Battery and P1-63 -Battery.
- Measure the voltage between P1-53 Unswitched +Battery and P1-65 -Battery.
- Measure the voltage between P1-70 Switched +Battery (keyswitch) and P1-63 -Battery.
Expected Result:
The measured voltage is between 11.0 VDC and 13.5 VDC for a 12 volt system and between 22.0 VDC and 27.0 VDC for a 24 volt system with no suspected intermittent problems at this time.
Results:
- OK – The ECM is receiving the correct voltage.
Repair: If an intermittent condition is suspected, refer to Troubleshooting, “Electrical Connectors – Inspect”.
STOP
- Not OK – The battery voltage is not within specifications. Proceed to Test Step 3.
- Not OK – The voltage at the keyswitch is not within specifications.
Repair: Trace the wiring for the keyswitch from the ECM through the keyswitch circuit to the batteries. Find the problem and repair the problem. Check the circuit protection for the circuit and for the wiring. Verify that the repairs eliminate the problem.
STOP
Test Step 3. Check the Batteries
- Measure no-load battery voltage at the battery posts.
- Load test the batteries. Use the 4C-4911 Battery Load Tester. Refer to Special Instruction, SEHS9249, “Use of 4C-4911 Battery Load Tester for 6, 8 and 12 Volt Lead Acid Batteries” and Special Instruction, SEHS7633, “Battery Test Procedure”.
Expected Result:
The batteries pass the load test. The measured voltage is the minimum specification for a 12V or 24V system.
Results:
- OK – The batteries are OK.
Repair: Check the wiring between the batteries and the ECM for shorts.Check the connectors between the batteries and the ECM for moisture and/or corrosion.Repair the wiring and/or the connectors.Verify that the repair eliminates the problem.
STOP
- Not OK – The battery voltage is low or the battery did not pass the load test.
Repair: Recharge or replace the faulty batteries. Verify that the repair eliminates the problem.
STOP




