System Operation Description:
The digital sensor supply provides power to all digital sensors. The coolant level sensor and the auxiliary temperature sensor are digital sensors.
The digital sensor supply is output short circuit protected. A short circuit to the battery should not cause permanent damage to the circuit inside the Electronic Control Module (ECM). The digital sensors are not protected from overvoltage.
Verify that the auxiliary temperature has been programmed to “Enabled” on the configuration screen of the Caterpillar Electronic Technician (ET). If the auxiliary temperature is not programmed to “Enabled”, Cat ET will display “Unavailable” on the Cat ET status screen.
|
|
|
|
|
|
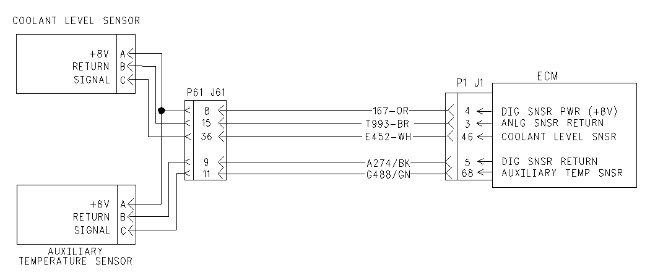
| Illustration 1 | g00807008 |
|
Schematic for the digital sensor supply |
|
|
|
|
|
|
|
| Illustration 2 | g00807012 |
|
Terminal locations for the digital sensor supply |
|
Test Step 1. Inspect Electrical Connectors and Wiring
- Verify that the auxiliary temperature has been programmed to “Enabled” on the Cat ET configuration screen.
- Place the engine control in the OFF/RESET mode and thoroughly inspect the J61/P61 customer connector, and J1/P1 ECM connector. Refer to Troubleshooting, “Electrical Connectors – Inspect” for details.
- Perform a 45 N (10 lb) pull test on each of the wires in the circuit that is associated with the digital sensor supply.
Refer to Illustration 1.
- Check the J61/P61 customer connector (allen head screw) for the proper torque. Refer to Troubleshooting, “Electrical Connectors – Inspect” for details.
- Check the ECM connector J1/P1 (allen head screw) for the proper torque. Refer to Troubleshooting, “Electrical Connectors – Inspect” for details.
- Check the harness and wiring for abrasions and for pinch points from the battery to the ECM.
Expected Result:
All connectors, pins, and sockets are completely coupled and/or inserted, and the harness and wiring are free of corrosion, of abrasion and of pinch points.
Results:
- OK – The connectors and wiring are OK. Proceed to Test Step 2.
- Not OK – There is a problem in the connectors and/or the wiring.
Repair: Repair the connectors or wiring and/or replace the connectors or wiring. Ensure that all of the seals are properly in place and ensure that the connectors are completely coupled.Verify that the repair eliminates the problem.
STOP
Test Step 2. Check for Active Diagnostic Codes
- Place the engine control in the ON mode.
- Monitor the active diagnostic code screen on the electronic service tool. Check and record any active diagnostic codes.
Note: Wait at least 15 seconds in order for the diagnostic codes to become active.
Expected Result:
One of the following diagnostic codes is active:
- 263-03
- 263-04
Results:
- OK – A 263-03 diagnostic code is active. Proceed to Test Step 3.
- OK – A 263-04 diagnostic code is active. Proceed to Test Step 4.
Test Step 3. Check the Voltage on the +8 V Supply Wire
- Place the engine control in the OFF/RESET mode.
- Disconnect all of the following digital sensors at the sensor connector:
- Coolant level sensor J800/P800
- Auxiliary temperature sensor J142/P142
- Place the engine control in the ON mode.
- Measure the voltage between pin A and pin B at the sensor connectors.
Expected Result:
The voltage is 8.0 ± 0.4 VDC.
Results:
- OK – The voltage is correct.
Repair: Replace all wires to the original configuration. Clear all diagnostic codes. Check for active diagnostic codes. If the problem is intermittent, refer to the diagnostic functional test Troubleshooting, “Electrical Connectors – Inspect”.
STOP
- Not OK – The voltage is incorrect. Proceed to Test Step 5.
Test Step 4. Disconnect the +8 V Sensors while you Monitor the Active Diagnostic Codes
- Monitor the active diagnostic code screen on Cat ET. Check and record any active diagnostic codes.
Note: Wait at least 15 seconds in order for the diagnostic codes to become active.
- Disconnect the following sensors one at a time:
- Coolant level sensor J800/P800
- Auxiliary temperature sensor J142/P142
- Wait for 15 seconds after each sensor is disconnected. Check for an active diagnostic code on the electronic service tool.
Expected Result:
The 263-04 diagnostic code deactivates.
Results:
- OK – The 263-04 diagnostic code deactivates. The diagnostic code is not active after a specific sensor is disconnected.
Repair: Reconnect the sensor that is suspected of causing the problem. If the problem returns after the reconnection of the sensor, disconnect the sensor. If the problem disappears after the disconnection of the sensor, replace the sensor. Replace all wires to the original configuration. Clear all diagnostic codes. Verify that the repair eliminates the problem.
STOP
- Not OK – The 263-04 diagnostic code stays active. Leave the sensors disconnected. Proceed to Test Step 5.
Test Step 5. Check the +8 V Supply Wire for a Short to Engine Ground or a Short to another Wire in the Harness
- Place the engine control in the OFF/RESET mode.
- Disconnect the J1/P1 ECM connector.
- Leave the digital sensors disconnected at the sensor connectors.
- Measure the resistance from the ECM connector P1-4 (+8 V Supply) to every pin on ECM connector P1.
- Measure the resistance from the ECM connector P1-4 to the ECM ground strap.
Note: Wiggle the harness during the following measurements in order to reveal any intermittent short condition.
Expected Result:
Each resistance measurement is more than 20,000 Ohms.
Results:
- OK – The resistance check does not indicate a short in the engine harness or a short to engine ground. Proceed to Test Step 6.
- Not OK – A resistance measurement is less than 20,000 Ohms. The +8 V supply wire is shorted in the engine harness or the +8 V supply wire is shorted to engine ground.
Repair: Repair the wire or replace the wire. Clear all logged diagnostic codes. Replace all wires to the original configuration. Verify that the repair eliminates the problem.
STOP
Test Step 6. Check the +8 V Supply and the Sensor Common for an Open Circuit
- Install a wire jumper between pin P1-4 (+8 V Supply) and pin P1-3 (Sensor Common).
- Record the resistance at the connector for the coolant level sensor between pin A and pin B.
Note: Wiggle the harness during the following measurements in order to reveal any intermittent short condition.
- Install the wire jumper between pin P1-4 (+8 V Supply) and pin P1-5 (Sensor Common).
- Record the resistance at the connector for the auxiliary temperature sensor between pin A and pin B.
Note: Wiggle the harness during the following measurements in order to reveal any intermittent short condition.
- Remove the wire jumpers.
Expected Result:
The resistance is less than 5 Ohms for each measurement.
Results:
- OK – The resistance check does not indicate an open circuit in the engine harness. Proceed to Test Step 7.
- Not OK – A resistance measurement is greater than 5 Ohms. The +8 V supply wire or the sensor common has excessive resistance.
Repair: Repair the wires or replace the wires. Clear all logged diagnostic codes. Replace all wires to the original configuration. Verify that the repair eliminates the problem.
STOP
Test Step 7. Check the +8 V Supply at the ECM
- Remove the wire 167-OR from ECM connector P1-4 (+8 V Supply). Install a wire jumper with socket terminals on both ends into P1-4.
- Reconnect ECM connector J1/P1.
- Place the engine control in the ON mode.
- Measure the voltage between the wire jumper in P1-4 and the engine ground.
- Place the engine control in the OFF/RESET mode.
- Replace all wires to the original configuration.
Expected Result:
The voltage is 8.0 ± 0.4 VDC.
Results:
- OK – The voltage is correct.
Repair: Clear all diagnostic codes. Check for active diagnostic codes. If the problem is intermittent, refer to the diagnostic functional test Troubleshooting, “Electrical Connectors – Inspect”.
STOP
- Not OK – The voltage is incorrect.
Repair: Replace the ECM. Refer to the diagnostic procedure Troubleshooting, “Replacing the ECM”.
STOP

