C-10, C-12, C-15 and C-16 Industrial Engines – CAN Data Link Circuit – Test

System Operation Description:

The test steps that are described in this test can help solve the following problems.

  • Faulty connectors

  • Terminating resistors

  • Short circuits

  • Open circuits

  • Faulty J1939 display

The CAN data link is used to communicate information from the Electronic Control Module (ECM) in order to share engine information and diagnostics for the electronic system.

Table 1
Parameters for Data Link Broadcast    
Parameter     PGN     Bytes     Resolution (Offset)
   
Byte Order in Message     Transmission Rate    
Percent Load     61443     1     1%/bit
(0%)    
3     50 ms    
Oil Pressure     65263     1     4 kPa/bit
(0 kPa)    
4     500 ms    
Battery Voltage     65271     2     0.05 V/bit
(0 V)    
5, 6     1.0 s    
Boost Pressure     65270     1     2 kPa/bit
(0 kPa)    
2     500 ms    
Coolant Temperature     65262     1     1 °C/bit
(-40 °C)    
1     1.0 s    
Fuel Pressure     65263     1     4 kPa/bit
(0 kPa)    
1     500 ms    
Fuel Temperature     65262     1     1 °C/bit
(-40 °C)    
2     1.0 s    
Fuel Rate     65266     2     0.05L/hr/bit
(0Lhr)    
1, 2     100 ms    
Engine Speed     61444     2     0.125 rpm/bit
(0 rpm)    
4, 5     15 ms    
Inlet Manifold Temperature     65270     1     1 °C/bit
(-40 °C)    
3     500 ms    
Auxiliary Temperature     65164     1     1 °C/bit
(−40 °C)    
1     1.0 s    
Auxiliary Pressure     65164     1     16 kPa/bit
(0 kPa)    
3     1.0 s    
Engine Hours     65253     4     0.05 hr/bit
(0 hr)    
1, 2, 3, 4     50 ms    



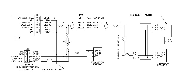
Illustration 1 g00924007

Schematic for the CAN data link



Illustration 2 g01080812

Terminal locations for ECM connector

Test Step 1. Inspect the Electrical Connectors and the Wiring

  1. Place the engine control in the OFF/RESET mode.
  1. Thoroughly inspect the J1/P1 ECM connector. Thoroughly inspect the connectors for each analog sensor.

    Refer to Troubleshooting, “Electrical Connectors – Inspect” for details.

  1. Perform a 45 N (10 lb) pull test on each of the wires in the ECM connectors that are associated with the analog sensor supply:
  1. Check the ECM connector (allen head screw) for the proper torque. Refer to Troubleshooting, “Electrical Connectors – Inspect” for details.
  1. Check the harness and wiring for abrasion and for pinch points from the sensors back to the ECM.

Expected Result:

All connectors, pins and sockets are completely coupled and/or inserted. The harness and wiring are free of corrosion, of abrasion and of pinch points.

Results:

  • OK – The harness and wiring appear to be OK. Proceed to Test Step 2.

  • Not OK – There is a problem in the wiring harness.

    Repair: Repair the connectors or wiring and/or replace the connectors or wiring. Ensure that all of the seals are properly in place and ensure that the connectors are completely coupled. Refer to the diagnostic functional test Troubleshooting, “Electrical Connectors – Inspect”.Verify that the repair eliminates the problem.

    STOP

Test Step 2. Verify the Proper Installation of the Data Link Circuit

  1. Disconnect the J1939 display.
  1. Disconnect J1/P1 ECM connector and measure the resistance between P1-50 (CAN Data Link +) and P1-34 (CAN Data Link -).

Expected Result:

The resistance is between 57 and 63 Ohms.

Results:

  • OK – The resistance is within the range. Proceed to Test Step 5.

  • Not OK – The range of the resistance is 114 Ohms to 126 Ohms. A terminating resistor is missing.

    Repair: Verify that two terminating resistors exist on the data link. One resistor must be located on each end of the data link. The engine is shipped with one terminating resistor that is installed between the ECM and the customer connector.Refer to the Electrical Schematic in order to determine the missing resistor.Verify that the repair eliminates the problem.

    STOP

  • Not OK – Resistance is less than 57 Ohms. Proceed to Test Step 3.

  • Not OK – Resistance is greater than 126 Ohms. Proceed to Test Step 4.

Test Step 3. Check for a Short Circuit

  1. Disconnect the J1/P1 ECM connector.
  1. Remove the terminating resistors from the CAN Data Link.
  1. If a J1939 display is installed, disconnect the display.
  1. Measure the resistance from the following pins to every pin on ECM connector P1 and to engine ground.

    • P1-50 (CAN Data Link +)

    • P1-34 (CAN Data Link -)

    • P1-42 (CAN Data Link Shield)

Expected Result:

The resistance is greater than 20,000 Ohms.

Results:

  • OK – There are no shorts. Proceed to Test Step 4.

  • Not OK – A short exists in the wiring harness.

    Repair: Make the necessary repairs.Verify that the repair eliminates the problem.

    STOP

Test Step 4. Check for an Open Circuit

  1. Make sure that all connections remain disconnected.
  1. Fabricate a jumper wire. Use the jumper wire in order to short pin G to pin F on the service tool connector.
  1. Measure the resistance between P1-50 (CAN Data Link +) and P1-34 (CAN Data Link -) at the ECM connector.
  1. Remove the wire short.

Expected Result:

The resistance is less than 5 Ohms.

Results:

  • OK – There is not an open circuit. Proceed to Test Step 5.

  • Not OK – An open circuit exists in the wiring harness.

    Repair: Make the necessary repairs.Verify that the repair eliminates the problem.

    STOP

Test Step 5. Check the J1939 Display

  1. Connect the J1939 display to another engine.
  1. If the J1939 display operates properly on a different engine, there may be a problem with the ECM.
  1. If the J1939 display does not function properly on the different engine, replace the J1939 display.

Expected Result:

The J1939 display operates properly.

Results:

  • OK – The J1939 display operates properly on another engine.

    Repair: The problem may be intermittent. If the problem is intermittent, refer to the diagnostic functional test Troubleshooting, “Electrical Connectors – Inspect”.

    STOP

  • Not OK – The J1939 display does not operate properly on another engine.

    Repair: Replace the J1939 display. Verify that the repair corrects the problem.

    STOP