System Operation Description:
The Electronic Control Module (ECM) has the ability to stop the engine by shutting off the inlet air supply in an emergency situation. The ECM activates a relay which energizes the air shutoff solenoid. The solenoid trips the air shutoff valve.
There are two conditions which can cause the ECM to activate the air shutoff relay. The first condition occurs when the ECM detects an engine overspeed. The relay will be energized until the ECM detects an engine speed of 0 rpm. The second condition occurs when a test of the air shutoff relay is made. The overspeed verify switch is activated. When the engine speed reaches 75 percent of the programmed overspeed setpoint, the ECM will activate the air shutoff relay. Again, this is used for testing purposes.
The air shutoff valve must be manually reset to the OPEN position.
|
|
|
|
|
|
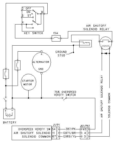
| Illustration 1 | g00743757 |
|
Schematic for the air shutoff system |
|
|
|
|
|
|
|
| Illustration 2 | g01080666 |
|
Terminal locations for ECM connector |
|
Test Step 1. Check the Electrical Connectors and the Wiring
- Verify that the air shutoff valves are set to the Open position.
- Thoroughly inspect the ECM connector J1/P1, and the customer connector. Refer to the diagnostic functional test Troubleshooting, “Electrical Connectors – Inspect” for details.
- Perform a 45 N (10 lb) pull test on each of the wires in the ECM connector that are associated with the circuit for the remote shutdown switch.
- Check the ECM connector (allen head screw) for the proper torque. Refer to the diagnostic functional test Troubleshooting, “Electrical Connectors – Inspect” for details.
- Check the customer connector (allen head screw) for the proper torque. Refer to the diagnostic functional test Troubleshooting, “Electrical Connectors – Inspect” for details.
- Check the harness and the wiring for abrasion and for pinch points from the air shutoff solenoid to the ECM.
Refer to Illustration 1 for terminal locations for the ECM.
Expected Result:
All connectors, pins, and sockets are completely coupled and/or inserted, and the harness and wiring are free of corrosion, of abrasion and of pinch points.
Results:
- OK – The connectors and wiring are OK. Proceed to Test Step 2.
- Not OK – The connectors and/or wiring are not OK.
Repair: Repair the wiring and connectors or replace the wiring or the connectors. Ensure that all of the seals are properly connected. Verify that the repair eliminates the problem.
STOP
Test Step 2. Test for Voltage from the Normally Open Contacts of the Air Shutoff Relay
- Place the engine control in the OFF/RESET mode.
- Remove the wire from the normally open contacts of the air shutoff relay that goes to the air shutoff solenoid.
- Connect the test lamp at the normally open contact of the air shutoff relay that goes to the air shutoff solenoid. Connect the other lead of the test lamp to engine ground.
- Place the engine control in the ON mode and start the engine.
- Activate the overspeed verify switch.
- Increase the engine speed past 75 percent of the programmed overspeed setpoint, and monitor the test lamp.
- Place the engine control in the OFF/RESET mode.
- Replace all wires to the normal configuration.
Expected Result:
The test lamp illuminates and stays illuminated.
Results:
- OK – The test lamp illuminated. The air shutoff relay is operating correctly. Proceed to Test Step 3.
- Not OK – The test lamp did not illuminate. Proceed to Test Step 4.
Test Step 3. Test for Voltage at the Air Shutoff Solenoid
- Place the engine control in the OFF/RESET mode.
- Disconnect the wires that are connected to the coil of the air shutoff solenoid.
- Connect a test lamp at the air shutoff solenoid between the wire from the normally open contact of the air shutoff relay and engine ground.
- Place the engine control in the ON mode and start the engine.
- Activate the overspeed verify switch.
- Increase the engine speed past 75 percent of the programmed overspeed setpoint and monitor the test lamp.
Expected Result:
The test lamp illuminates and stays illuminated.
Results:
- OK – The test lamp illuminated. The voltage is present at the air shutoff solenoid.
Repair: Verify the continuity of the wire from the air shutoff solenoid to the negative battery before proceeding. Replace the air shutoff solenoid. Ensure that the problem is no longer present.
STOP
- Not OK – The test lamp did not illuminate. System voltage was not available at the air shutoff solenoid.
Repair: The problem is in the wiring between the air shutoff solenoid and the air shutoff relay. Repair the connectors or wiring and/or replace the connectors or wiring. Verify that the repair eliminates the problem.
STOP
Test Step 4. Test for Voltage at the Coil of the Air Shutoff Relay
- Place the engine control in the OFF/RESET mode.
- Disconnect the wire that carries the drive signal from the ECM to the air shutoff relay. Disconnect the wire at the coil of the air shutoff relay.
- Connect the test lamp between the wire and engine ground.
- Place the engine control in the ON mode and start the engine.
- Activate the overspeed verify switch.
- Increase the engine speed past 75 percent of the programmed overspeed setpoint and monitor the test lamp.
Expected Result:
The test lamp illuminates and stays illuminated.
Results:
- OK – The test lamp illuminated. Verify the continuity of the wire from the coil of the air shutoff relay to the ECM connector P1:67 before proceeding. Proceed to Test Step 6.
- Not OK – The test lamp did not illuminate. The voltage from the ECM was not present at the coil of the air shutoff relay. Proceed to Test Step 5.
Test Step 5. Short the Overspeed Verify Switch at the ECM
- Place the engine control in the OFF/RESET mode.
- Disconnect ECM connector P1.
- Remove the wire in P1-54 (overspeed verify swtich) from ECM connector P1. Install a wire jumper with socket terminals on each end of the wire jumper into P1-54.
- Insert one end of the wire jumper into the socket for P1-54 (overspeed verify swtich).
- Connect the wire jumper to engine ground.
- Remove P1-11 (air shutoff solenoid) from ECM connector P1. Install a wire jumper with socket terminals on each end of the wire jumper into P1-11.
- Insert one end of the wire jumper into the socket for P1-11 (air shutoff solenoid).
- Connect one lead of the test lamp to the other end of the jumper wire in P1-11 (air shutoff solenoid).
- Connect the other lead of the test lamp to negative battery.
- Place the engine control in the ON mode and start the engine.
- Activate the overspeed verify switch.
- Increase the engine speed past 75 percent of the programmed overspeed setpoint and monitor the test lamp.
Expected Result:
The test lamp illuminates and stays illuminated.
Results:
- OK – The test lamp illuminated.
Repair: Verify the continuity of the wire for the overspeed verify switch to the negative battery. Close the overspeed verify switch and measure the continuity from P1-54 to the negative battery. If the wire does not have continuity to the negative battery, repair the wire and/or replace the overspeed verify switch.If the wire for the overspeed verify switch has continuity to the negative battery, there is a problem in the wiring between P1-11 and the air shutoff relay. Repair the circuit connectors or wiring and/or replace the circuit connectors or wiring. Verify that the repair eliminated the problem.
STOP
- Not OK – The test lamp did not illuminate.
Repair: Perform the following repair:
- Temporarily connect a test ECM.
- Remove all jumpers and reconnect all connectors.
- Recheck the system for active diagnostic codes.
- Repeat the test step.
- If the problem is resolved with the test ECM, reconnect the suspect ECM.
- If the problem returns with the suspect ECM, replace the ECM.
- Verify that the repair eliminates the problem.
STOP
Test Step 6. Test the Diode for Current Flow in One Direction
|
|
|
|
|
|
| Illustration 3 | g00761537 |
- Disconnect the wires from the air shutoff relay.
- Remove the diode from the air shutoff relay.
- Put the digital voltmeter (DVM) in “Diode Check”.
- Place the red lead of the DVM on the diode at location (A). Place the black lead of the DVM on the diode at location (B). Refer to illustration 3 for locations.
- Measure the voltage drop across the diode.
Expected Result:
The voltage drop across the diode is less than 1.0 volt.
Results:
- OK – The voltage drop across the diode is less than 1.0 volt. Proceed to Test Step 7.
- Not OK – The voltage drop across the diode is greater than 1.0 volt.
Repair: Replace the diode. Verify that the repair eliminates the problem.
STOP
Test Step 7. Test the Diode for Current Flow in the Opposite Direction
- Place the red lead of the DVM on the diode at location (B). Place the black lead of the DVM on the diode at location (A). Refer to illustration 3 for locations.
- Measure the voltage drop across the diode.
Expected Result:
The voltage drop across the diode is an OL.
Results:
- OK – The voltage drop across the diode is an OL. Proceed to Test Step 8.
- Not OK – The voltage drop across the diode is less than 1.0 volt.
Repair: Replace the diode. Verify that the repair eliminates the problem.
STOP
Test Step 8. Check the Voltage from the Keyswitch to the Normally Open Contacts of the Air Shutoff Relay
- Place the engine control in the OFF/RESET mode.
- Disconnect the wire to the normally open contacts of the air shutoff relay from the keyswitch.
- Connect the test lamp between the wire and engine ground.
- Place the engine control in the ON mode.
Expected Result:
The test lamp illuminates and stays illuminated.
Results:
- OK – The test lamp illuminated.
Repair: Replace the air shutoff relay. Verify that the repair eliminates the problem.
STOP
- Not OK – The test lamp did not illuminate. Proceed to Test Step 9.
Test Step 9. Check the Voltage from the Keyswitch to the Air Shutoff Relay
- Place the engine control in the OFF/RESET mode.
- Remove the wire from terminal R of the keyswitch.
- Place the engine control in the ON mode.
- Measure the voltage between terminal B of the keyswitch and engine ground.
- Measure the voltage between terminal R of the keyswitch and engine ground.
- Place the engine control in the OFF/RESET mode.
Expected Result:
Voltage is present on terminal B and terminal R at the keyswitch.
Results:
- OK – Voltage is present on terminal B and terminal R at the keyswitch.
Repair: If voltage is present on terminal R, repair the wire between the keyswitch and the air shutoff relay. Verify that the breaker is not tripped. Return all wiring to the original configuration. Verify that the problem is eliminated.
STOP
- Not OK – Voltage is not present on terminal B at the keyswitch.
Repair: If voltage is not present on terminal B, repair the wire between the +Battery and the keyswitch. Verify that the breaker is not tripped. Verify that the battery disconnect switch is operating correctly. Check the battery’s no-load voltage. Return all wiring to the original configuration. Verify that the problem is eliminated.
STOP
- Not OK – Voltage is not present on terminal R at the keyswitch.
Repair: If voltage is present on terminal B of the keyswitch but not present on terminal R, replace the keyswitch. Return all wiring to the original configuration. Verify that the problem is eliminated.
STOP


