System Operation Description:
Table 1 lists the diagnostic codes that relate to the combustion air system.
Note: Some of the following codes may not be applicable for certain applications.
| Diagnostic Trouble Codes | |||
|---|---|---|---|
| CDL Code | J1939 Code | Description (code descriptions may vary) |
Comments |
| 2489-5 | 3487-5 | ARD Air Pressure Control Actuator : Current Below Normal | There is low current flow in the wiring between the combustion air valve and the combustion air valve controller. Regenerations are disabled. The code is logged. Engine power is derated. |
| 2489-6 | 3487-6 | ARD Air Pressure Control Actuator : Current Above Normal | There is excessive current flow in the wiring between the combustion air valve and the combustion air valve controller. Regenerations are disabled. The code is logged. Engine power is derated. |
| 2489-7 | 3487-7 | ARD Air Pressure Control Actuator : Not Responding Properly | The combustion air valve is not responding properly to commands from the combustion air valve controller. The code is logged. Engine power is derated. |
| 2489-8 | 3487-8 | ARD Air Pressure Control Actuator : Abnormal Frequency, Pulse Width, or Period | The combustion air valve is not responding properly to commands from the combustion air valve controller. The code is logged. Engine power is derated. |
| 2490-3 | 3488-3 | ARD Air Pressure Control Actuator Position Sensor : Voltage Above Normal | There is excessive voltage on the signal wire between the combustion air valve and the combustion air valve controller. The code is logged. Engine power is derated. |
| 2490-4 | 3488-4 | ARD Air Pressure Control Actuator Position Sensor : Voltage Below Normal | There is low voltage on the signal wire between the combustion air valve and the combustion air valve controller. The code is logged. Engine power is derated. |
| 3471-5 | 5591-5 | ARD Air Pressure Control Module : Current Below Normal | There is low current flow in the wiring between the engine ECM and the combustion air valve controller. The code is logged. |
| 3471-6 | 5591-6 | ARD Air Pressure Control Module : Current Above Normal | There is excessive current flow in the wiring between the engine ECM and the combustion air valve controller. The code is logged. |
| 3472-3 | 5591-3 | ARD Air Pressure Control System : Voltage Above Normal | There is excessive voltage on the voltage supply wire to the combustion air valve controller. The code is logged. Engine power is derated. |
| 3472-4 | 5591-4 | ARD Air Pressure Control System : Voltage Below Normal | There is low voltage on the voltage supply wire to the combustion air valve controller. The code is logged. Engine power is derated. |
| 3472-9 | 5591-9 | ARD Air Pressure Control System : Abnormal Update Rate | There is no communication between the engine ECM and the combustion air valve controller. The code is logged. Engine power is derated. |
| 3482-3 | 3511-3 | Sensor Supply #3 : Voltage Above Normal | There is excessive voltage on the 5 VDC wire between the combustion air valve and the combustion air valve controller. The code is logged. Engine power is derated. |
| 3482-4 | 3511-4 | Sensor Supply #3 : Voltage Below Normal | There is low voltage on the 5 VDC wire between the combustion air valve and the combustion air valve controller. The code is logged. Engine power is derated. |
| Follow the troubleshooting procedure in order to identify the root cause of the problem. | |||
System Operation
The combustion air system consists of the following components:
- Combustion air valve controller
- Combustion air valve
- Combustion air absolute pressure sensor
Combustion Air Valve Controller (A5M8)
The combustion air valve controller receives operating voltage from the control system. The controller receives commands from the ECM for the engine via a CAN data link. The controller converts the commands from the ECM into a command signal for the combustion air valve. The controller also provides 5 VDC to the valve position sensor.
Combustion Air Valve
The combustion air valve positions an actuator according to the commands from the controller. The position sensor sends a signal to the controller. The signal indicates the position of the actuator.
The combustion air valve controller sends the position of the actuator to the engine ECM via the CAN data link. The position of the actuator can be viewed on Caterpillar Electronic Technician (ET). The controller also sends diagnostic information to the ECM.
Absolute Pressure Sensor
The combustion air absolute pressure sensor converts the absolute pressure of the combustion air into an electrical signal. The ECM uses the signal to determine the volume of combustion air that is being provided to the ARD. The ECM changes the command to the combustion air controller until the volume of combustion air is correct.
| Troubleshooting Test Steps | Values | Results |
|---|---|---|
| 1. Determine the Diagnostic CodeA. Establish communication between Cat ET and the ECM . Refer to Troubleshooting, “Electronic Service Tools”, if necessary.
B. Record the logged codes or the active codes. |
Diagnostic code | Result: A 3487-5, 3487-6, 3488-3, 3488-4, 3511-3 or a 3511-4 code is logged or active. There is a problem with the wiring between the combustion air valve controller (A5M8) and the combustion air valve.Proceed to Test Step 7.
Result: A 2489-5, 2489-6, 2490-3, 2490-4, 3482-3 or a 3482-4 code is logged or active. There is a problem with the wiring between the combustion air valve controller (A5M8) and the combustion air valve. Proceed to Test Step 7. Result: A 5591-3 or a 5591-4 code is logged or active. There is a problem with the power supply to the combustion air controller (A5M8). Proceed to Test Step 8. Result: A 3472-3, 3472-4, 3471-5 or a 3471-6 code is logged or active. There is a problem with the power supply to the combustion air controller (A5M8). Proceed to Test Step 8. Result: A 3472-9 or a 5591-9 code is logged or active. There is a problem with the data link wiring between the engine ECM and the combustion air valve controller (A5M8). Proceed to Test Step 9. Result: A 2489-7 or a 3487-7 code is logged or active. Proceed to Test Step 2. Result: A 2489-8 or a 3487-8 code is logged or active. Clear all logged or active codes and Proceed to Test Step 6. |
|
|

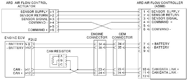
Illustration 1 g02728374
Typical example

Illustration 2 g02795990
Industrial Option
| Troubleshooting Test Steps | Values | Results |
|---|---|---|
| 2. Inspect the Wiring to the ActuatorA. Inspect the wiring from the ECM to the actuator for the combustion air.
B. Check all connectors. Refer to Troubleshooting, “Electrical Connectors – Inspect”. C. Check the wires for damage to the insulation. D. Inspect the wires for the following conditions: 1. Exposed insulation E. Perform a pull test on each wire terminal connection. Refer to Troubleshooting, “Electrical Connectors – Inspect”. |
Damaged wire or connector | Result: A damaged wire or damaged connector was not found.Proceed to Test Step 3.
Result: A damaged wire or damaged connector was found. Repair the damaged wire or the damaged connector. Proceed to Test Step 3. |
| 3. Perform the “ARD Air System Service Test”A. Perform the “ARD Air System Service Test” in Cat ET. | Test completed successfully | Result: The “ARD Air System Service Test” passed.Proceed to Test Step 10.
Result: The “ARD Air System Service Test” failed. Proceed to Test Step 4. |

Illustration 3 g02290236
(1) Inspection points between the compressed air supply and the ARD head
| Troubleshooting Test Steps | Values | Results |
|---|---|---|
| 4. Inspect the Piping Between the Compressor and the Combustion Air ValveA. Inspect the tube between the compressor and the combustion air valve.
B. Check for cracks in the tubing. C. Check for loose hardware or damaged hardware. |
Damaged tubing | Result: The tube is damaged or cracked.Replace the tubing or repair the tubing. Proceed to Test Step 6.
Result: The tube is not damaged or cracked. Proceed to Test Step 5. |

Illustration 4 g02290235
CEM (typical)
(2) Piping between the combustion air valve and the combustion air absolute pressure sensor
(3) Clamps
| Troubleshooting Test Steps | Values | Results |
|---|---|---|
|
5. Inspect the Tubing from the Combustion Air Valve to the Combustion Air Absolute Pressure Sensor
A. Inspect the tubing from the combustion air valve to the combustion air absolute pressure sensor. B. Check for cracks in the tubing. C. Check for air leaks. D. Check the clamps on the tube. Make sure that the clamps are tight. |
Damaged tubing |
Result: The tube is damaged or cracked.
Replace the tubing or repair the tubing. Proceed to Test Step 6. Result: The tube is not damaged. Replace the combustion air valve. Proceed to Test Step 6. |
|
6. Perform the “ARD Air System Service Test”
A. Perform the “ARD Air System Service Test” in Cat ET. |
Test completed successfully |
Result: The “ARD Air System Service Test” passed.
Proceed to Test Step 10. Result: The “ARD Air System Service Test” failed. Replace the combustion air valve. Verify the repair by repeating the “ARD Air System Service Test”. Proceed to Test Step 10. |
|
7. Check the Wiring Between the Combustion Air Valve Controller (A5M8) and the Combustion Air Valve
A. Carefully inspect the wiring between the combustion air valve controller (A5M8) and the combustion air valve. Look for the following problems: 1. Improperly routed harnesses or wiring B. Perform the 45 N (10 lb) pull test on each wire. Each terminal and each connector should easily withstand |
Damaged wire, connector, or combustion air valve controller (A5M8) |
Result: There is a problem with the wiring or combustion air valve controller (A5M8).
Make the necessary repairs. Replace parts, if necessary. Proceed to Test Step 10. |
|
8. Check the Wiring Between the Combustion Air Valve Controller (A5M8) and the Engine ECM
A. Carefully inspect the wiring between the combustion air valve controller (A5M8) and the engine ECM. Look for the following problems. 1. Improperly routed harnesses or wiring B. Perform the C. Make the necessary repairs to the electrical power circuit between the combustion air valve controller and the engine ECM. D. Refer to Illustration 1. Verify that there is battery voltage between terminals 7 (+ Battery) and 8 (-Battery) on the controller 12-pin connector. |
Damaged wire, connector, or combustion air valve controller (A5M8) |
Result: There is battery voltage between terminal 7 and terminal 8. The wiring problem is resolved.
Clear all codes, verify the repair by performing an “ARD Air System Service Test”. If any codes listed below become active, replace the Combustion Air Valve Controller (A5M8). Proceed to Test Step 10. |
|
9. Check the Data Link Wiring Between the Engine ECM and the Combustion Air Valve Controller (A5M8)
A. Carefully inspect the data link wiring between the engine ECM and the combustion air valve controller (A5M8). Look for the following problems: 1. Improperly routed harnesses or wiring B. Perform the C. Refer to Illustration 1. Verify that there is battery voltage between terminals 7 (+ Battery) and 8 (-Battery) on the controller 12-pin connector. |
Damaged wire, connector, or combustion air valve controller (A5M8) |
Result: There is a problem with the data link wiring , combustion air valve controller (A5M8) or voltage supply.
Make the necessary repairs. Refer to Troubleshooting, “Data Link – Test” for Data link troubleshooting. Replace parts, if necessary. Proceed to Test Step 10. |
|
10. Perform an ARD Ignition Test
A. Perform an ARD ignition test using Cat ET. Refer to System Operation and Testing and Adjusting, “ARD Fuel System – Test”. The ARD Ignition Test cannot be performed if the DPF soot loading is above 80%. When the DPF soot loading is above 80%, the Manual DPF Regeneration must be performed using Cat ET. |
Test successfully completed |
Result: The ARD ignition test completes successfully.
Return to service. Result: The ARD ignition test is not successful and additional codes are logged. Troubleshoot the codes. Refer to Troubleshooting for the correct procedure. |
Test Step 1.
Complete the procedure in the order in which the steps are listed.
Results:
- The procedure corrected the issue. – STOP
- The procedure did not correct the issue. –Repair: Contact your Cat dealer Technical Communicator (TC). For further assistance, your TC can confer with the Dealer Solutions Network (DSN).
STOP