System Operation Description:
Use this procedure to troubleshoot the electrical system if a problem is suspected with the primary engine speed/timing sensor. Also use this procedure if a problem is suspected with the secondary engine speed/timing sensor. Use this procedure to troubleshoot the electrical system if a diagnostic code in Table 1 is active or easily repeated.
DiagnosticTrouble Codes | |||
---|---|---|---|
J1939 Code | CDL Code | Code Description | Comments |
190-8 | 190-8 | Engine Speed Sensor : Abnormal Frequency, Pulse Width, or Period | The code is logged. The Electronic Control Module (ECM) can default to the secondary engine speed/timing sensor. The default will occur if a valid signal is not received from the primary engine speed/timing sensor. The engine will shut down only if the signals from the primary engine speed/timing sensor and the secondary engine speed/timing sensor are abnormal. |
723-8 | 342-8 | Secondary Engine Speed Sensor : Abnormal Frequency, Pulse Width, or Period | The code is logged. If a valid signal is not received from the secondary engine speed/timing sensor, the ECM will default to the primary engine speed/timing sensor. The engine will shut down only if the signals from the primary engine speed/timing sensor and the secondary engine speed/timing sensor are abnormal. |
The engine uses two engine speed/timing sensors. Both sensors detect the reference for engine speed and timing from a unique pattern on the camshaft gear. The ECM uses the pattern of the pulses in order to determine the position of the crankshaft. The ECM measures the time between the pulses that are created by the sensors as the gears rotate in order to determine rpm.
Under normal operation, the secondary engine speed/timing sensor is used to determine timing for starting purposes. The secondary engine speed/timing sensor is used to determine when the piston in the No. 1 cylinder is at the top of the compression stroke. The primary engine speed/timing sensor is then used to determine engine speed and the signal from the secondary camshaft sensor is ignored.
After locating the No. 1 cylinder, the ECM triggers each injector in the correct firing order and at the correct unit injector timing. The actual timing and duration of each injection is based on engine rpm and load. If the engine is running and the signal from the primary engine speed/timing sensor is lost, a slight change in engine performance will be noticed. The change will be noticed when the ECM performs the changeover to the secondary engine speed/timing sensor. Loss of the signal from the secondary engine speed/timing sensor during engine operation will not result in any noticeable change in engine performance. However, if the signal from the secondary engine speed/timing sensor is not present during start-up the following conditions may exist:
- The engine may require a slightly longer amount of time to start up.
- The engine may run rough for a few seconds until the ECM determines the proper firing order by using the primary engine speed/timing sensor only.
The engine will start and the engine will run when only one sensor signal is present from either of the sensors. Loosing the signal from both of the sensors during engine operation will result in the termination of injection. The ECM will then shut down the engine. The loss of the signal from both of the sensors during start-up will prevent the engine from starting.
Both sensors are magnetic sensors with an integral connector. The two sensors are not interchangeable. Do not switch the positions of the sensor. If the sensors are replaced, a timing calibration is not necessary for the engine.
|
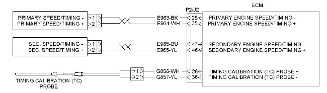
Illustration 1 g01199875
Schematic for the engine speed/timing sensors
Troubleshooting Test Steps | Values | Results |
---|---|---|
1. Check the Engine Speed/Timing CircuitA. Connect Caterpillar Electronic Technician (ET) to the service tool connector. Refer to Troubleshooting, “Electronic Service Tools”, if necessary.
B. Turn the keyswitch to the ON position. C. Monitor the “Engine Starting” screen in Cat ET Start the engine and run the engine. The problem may occur when the engine is at any operating temperature. However, the problem is more likely to occur when the engine is at the normal operating temperature. |
Circuit check | Result: The engine started.Proceed to Test Step 2.
Result: The engine did not start. Proceed to Test Step 3. |
2. Check for Diagnostic CodesA. While the engine is running monitor Cat ET for diagnostic codes. Also monitor the “Engine Starting” screen for an engine speed/timing that is “Not Detected”.
B. Wait at least 30 seconds for activation of the diagnostic codes. Look for these codes on Cat ET: |
Diagnostic codes | Result: There is an active diagnostic code or there is a timing pattern that is “Not Detected”.Proceed to Test Step 5.
Result: There is not an active diagnostic code and there is not a timing pattern that is “Not Detected”. Download the “Warranty Report” from the engine ECM. Troubleshoot any diagnostic codes that may be present. STOP |
3. Check the Battery VoltageA. Monitor the “Engine Starting” screen in Cat ET.
B. Monitor the battery voltage. Crank the engine for 5 seconds. |
Battery voltage | Result: The battery voltage is OK.Proceed to Test Step 4.
Result: The battery voltage is not OK. Refer to Troubleshooting, “Engine Cranks but Does Not Start”. STOP |
4. Check the Engine Speed and the Engine Speed/Timing StatusA. Monitor the “Engine Starting” screen in Cat ET.
B. Crank the engine for 5 seconds. While the engine is cranking, verify that the sensors show an acceptable cranking speed. C. While the engine is cranking check the status of the engine speed/timing. |
Speed/timing status | Result: The sensors show an acceptable cranking speed. The timing pattern shows “Detected”.Refer to Troubleshooting, “Engine Cranks but Does Not Start”.
STOP Result: A sensor does not show an acceptable cranking speed and/or the timing pattern shows “Not Detected”. Proceed to Test Step 5. |
Illustration 2 g01180490
Typical left side engine view
(1) Rear surface of the front timing gear housing
(2) Mounting flange
(3) Bracket
Troubleshooting Test Steps | Values | Results |
---|---|---|
5. Inspect the Sensor AssemblyA. Turn the keyswitch to the OFF position.
B. Visually inspect the sensor and the sensor assembly without removing the sensor assembly from the engine. Flanges (2) must be flush against the surface of the front timing gear housing (1) in order to ensure proper operation. C. Inspect bracket (3) . Verify that the bracket securely holds the flanges of the sensors flush against the engine. D. Verify that the bracket is not bent. If the bracket is bent or if an obstruction is preventing the sensor assembly from being installed correctly, the engine will not start. E. Disconnect the harness from the speed/timing sensors. Check the harness for debris and for corrosion. F. Perform a 45 N (10 lb) pull test on the harness wiring. |
Sensor inspection | Result: The sensor and the sensor assembly mounting are OK.Do not reconnect the harness connector. Proceed to Test Step 6.
Result: The sensor and/or the sensor assembly has a mechanical problem or the harness has debris and/or corrosion. Repair the sensor and/or the sensor assembly or replace the sensor and/or the sensor assembly. STOP |
Illustration 3 g02207317
Typical left side engine view
(5) Connector for the primary engine speed/timing sensor
(6) Connector for the secondary engine speed/timing sensor
Illustration 4 g01218763
Terminal locations at the connector for the speed/timing sensors
(1) Engine speed/timing signal (−)
(2) Engine speed/timing signal (+)
Troubleshooting Test Steps | Values | Results |
---|---|---|
6. Use a Multimeter to Check the Harness Wiring
A. Turn the keyswitch to the ON position. B. Perform the following procedure for each sensor. |
Check wiring harness |
Result: The voltage was OK for all of the measurements.
The harness and wiring are OK. Proceed to Test Step 7. Result: The voltage was not OK for at least one of the measurements. There is a problem in the harness wiring. STOP |
7. Measure the Resistance of the Sensor
A. Turn the keyswitch to the OFF position. B. Disconnect the engine harness from the sensor. C. Remove the sensor. Check the sensor tip for any damage. D. For the primary engine speed/timing sensor, measure the resistance between terminal 2 (Primary engine speed/timing +) to terminal 1 (Primary engine speed/timing -). E. For the secondary engine speed/timing sensor, measure the resistance between terminal 2 (secondary engine speed/timing +) to terminal 1 (secondary engine speed/timing -). |
Sensor resistance |
Result: The resistance measurement for the sensor is within the specification. There is no damage to the sensor tip.
If the engine was running before removing the sensor, reinstall the sensor. STOP Result: The resistance measurement for the sensor is within the specification. There is damage to the sensor tip. Inspect the housing for a cause of the sensor damage. Make any necessary repairs. STOP Result: The resistance measurement for the sensor is not within the specification. Inspect the housing for a cause of the sensor damage. Make any necessary repairs. STOP |
Test Step 1.
Complete the procedure in the order in which the steps are listed.
Results:
- The procedure corrected the issue. – STOP
- The procedure did not correct the issue. –Repair: Contact your Cat dealer Technical Communicator (TC). For further assistance, your TC can confer with the Dealer Solutions Network (DSN).
STOP