Alternator
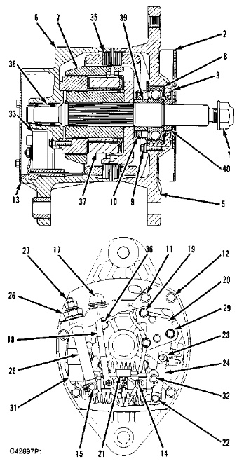
(1) Pulley nut. (2) Fan. (3) Shield. (5) Drive frame. (6) Rear frame. (7) Rotor. (8) Bearing. (9) Screws – three. (10) Retainer. (11) Screw. (12) Screws – four. (13) Plate. (14) Nuts – three. (15) Screw. (17) R terminal. (18) Strap. (19) Screws – two. (20) Regulator. (21) Diode trio. (22) Screw. (23) Nut. (24) Strap. (26) Nut. (27) BAT terminal. (28) Strap. (29) Screw. (31) Capacitor. (32) Screw. (33) Rectifier. (35) Stator. (36) Screws – four. (37) Field coil. (38) Bearing. (39) Collar. (40) Collar.
Disassemble Alternator
NOTE: The disassembly and assembly procedures are of the 3T6352 alternator. Other 20-SI alternators are similar.
Start by:
a. remove alternator.
1. Remove pulley nut (1).
2. Remove pulley and fan (2).
3. Remove shield (3). Remove four bolts (4) and separate drive frame (5) from rear frame (6).
4. Attach puller as shown. Remove drive frame (5) from rotor (7). As drive frame (5) is separated from rotor (7), collars (40) and (39) are no longer secured. Remove collars (40) and (39).
5. Remove three screws (9) and retainer (10). Use a puller to remove bearing (8) from drive frame (5).
6. Remove screw (11) at the GND terminal. Remove four screws (12) and plate (13) from rear frame (6).
7. Remove three nuts (14) and disconnect the stator leads from rectifier (33).
8. Remove screw (15) at the battery terminal of rectifier (33).
9. Loosen nut (16). Remove R terminal (17) and strap (18) together.
10. Remove two screws (19) at the field oil terminals of regulator (20). Remove diode trio (21).
11. Remove screw (22) at the ground terminal of rectifier (33). Remove nut (23) at the ground terminal of regulator (20). Remove strap (24).
12. Remove insulator (25) and loosen nut (26). Remove BAT terminal (27) and strap (28) together.
13. Remove screw (29) and regulator (20).
14. Remove screw (30) and capacitor (31).
15. Remove screw (32) and rectifier (33).
16. Loosen grommet (34) and remove stator (35) from rear frame (6).
17. Remove four screws (36) and remove field coil (37) from rear frame (6).
18. If necessary, remove bearing (38) from rear frame (6).
Assemble Alternator
|
|
| NOTICE |
|---|
|
Do not push on inner race of bearing (8) during installation. Damage to bearing (8) can occur. Push against the outer bearing race. |
|
|
1. Install bearing (8) in drive frame (5). Install retainer (10) with three screws (9).
2. Place collar (39) on shaft of rotor (7). Insert the shaft of rotor (7) through bearing (8) in drive frame (5).
3. Place collar (40) on shaft of rotor (7).
4. Install spacers and nut as shown. Fully seat the shaft of rotor (7) in bearing (8).
5. If removed, install bearing (38) in rear frame (6). Use the 1P510 Drive Group.
6. Place field coil (37) in rear frame (6). Install and tighten four screws (36).
7. Place stator (35) in rear frame (6). Position grommet (34) in indentation (41).
8. Place rectifier (33) in rear frame (6). Install and tighten screw (32).
9. Place capacitor (31) in rear frame (6). Install and tighten screw (30).
10. Place regulator (20) in rear frame (6). Install and tighten screw (29).
11. Place BAT terminal (27) and strap (28) in rear frame (6). Make sure insulators (42) are properly positioned.
12. Install insulator (25) through the lead of capacitor (31) and strap (28).
13. Install and tighten screw (15). Tighten nut (26).
14. Place diode trio (21) on rectifier (33) and regulator (20).
15. Place R terminal (17) and strap (18) in rear frame (6). Make sure insulators (43) are properly positioned. Tighten nut (16).
NOTE: For correct operation, there is NO continuity between screw (15) and strap (28); or between nut (26) and rear frame (6); or between R term (17) and rear frame (6).
16. Make sure the insulators are installed on screws (19). Place the field coil leads on screws (19). Install and tighten two screws (19).
17. Place strap (24) on rectifier (33) and regulator (20). Install and tighten screw (22) and nut (23).
NOTE: For correct operation, there is NO continuity between screws (19) and the respective field coil lead.
18. Place the stator leads on the terminals of rectifier (33). Install and tighten three nuts (14) on the terminals of rectifier (33).
19. Position plate (13) on rear frame (6). Install and tighten four screws (12). Install screw (11) at the GND terminal.
20. Join rear frame (6) and drive frame (5). Install four bolts (4) and tighten to 6.2 ± 0.6 N·m (55 ± 5 lb in).
21. Install shield (3).
22. Install the pulley and fan.
23. Install the pulley nut and tighten to 100 ± 7 N·m (75 ± 5 lb ft).
End by:
a. install alternator.
























